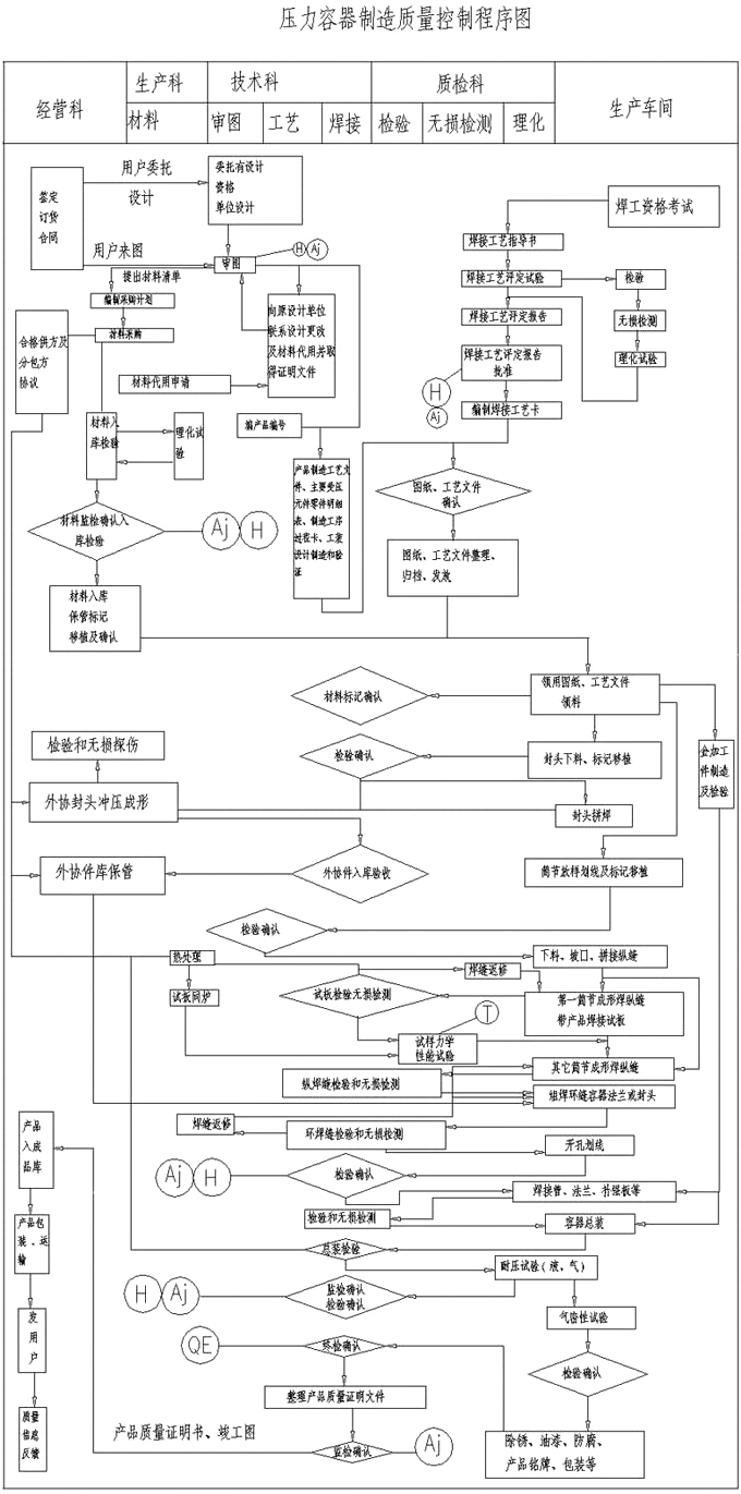
公司产品生产流程
2019/10/11 15:07:22 点击:
公司是集石化设备研发、生产、销售、安装、调试等一条龙服务的综合型企业。这里不但有国内一流的试验、生产、制造设备,更有一批来自著名石化设备科研、制造单位成绩卓著的技术精英,还有一批多年从事机械设备制造的生产管理人员和优秀的技术工人队伍。

- 上一篇:列管冷凝器选型攻略 [2019/10/11]
- 下一篇:无锡锡川化工设备有限公司主要产品 [2019/10/11]

无锡锡川化工设备有限公司
总经理:王波
手机:13382898158
网站:www.wuxixchg.com
邮件:2651650351@qq.com
地址:无锡市滨湖区南湖中路28-30号
公司是集石化设备研发、生产、销售、安装、调试等一条龙服务的综合型企业。这里不但有国内一流的试验、生产、制造设备,更有一批来自著名石化设备科研、制造单位成绩卓著的技术精英,还有一批多年从事机械设备制造的生产管理人员和优秀的技术工人队伍。
